Beguiled and demoralized by the charms of pleasure of the moment, so by desire,
that they cannot foresee.
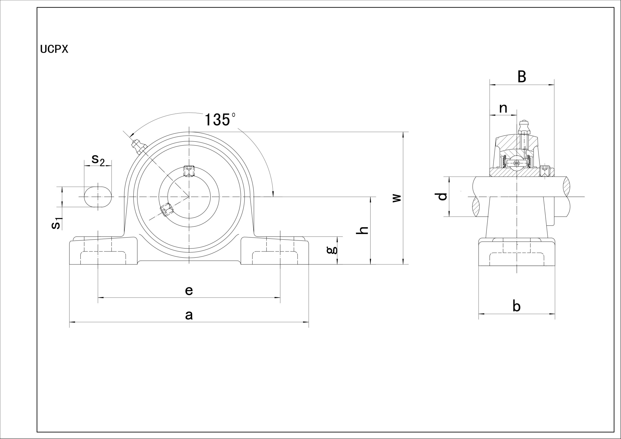
| Unit NO. | Dimensions ( mm / in. ) | Bolt Size mm/in. | Bearing No. | Housing No. | Weight (kg) | ||||||||||
|---|---|---|---|---|---|---|---|---|---|---|---|---|---|---|---|
| d | h | a | e | b | s1 | s2 | g | w | B | n | |||||
| UCPX05 | 25 | 44.4 | 159 | 119 | 51 | 17 | 20 | 18 | 85 | 38.1 | 15.9 | M14 | UCX05 | PX05 | 1.33 |
| UCPX05-13 | 13/16 | 1-3/4 | 6-1/4 | 4-11/16 | 2 | 43/64 | 25/32 | 23/32 | 3-11/32 | 1.5000 | 0.626 | 1/2 | UCX05-13 | PX05 | 1.33 |
| UCPX05-14 | 7/8 | 1-3/4 | 6-1/4 | 4-11/16 | 2 | 43/64 | 25/32 | 23/32 | 3-11/32 | 1.5000 | 0.626 | 1/2 | UCX05-14 | PX05 | 1.33 |
| UCPX05-15 | 15/16 | 1-3/4 | 6-1/4 | 4-11/16 | 2 | 43/64 | 25/32 | 23/32 | 3-11/32 | 1.5000 | 0.626 | 1/2 | UCX05-15 | PX05 | 1.33 |
| UCPX05-16 | 1 | 1-3/4 | 6-1/4 | 4-11/16 | 2 | 43/64 | 25/32 | 23/32 | 3-11/32 | 1.5000 | 0.626 | 1/2 | UCX05-16 | PX05 | 1.33 |
| UCPX06 | 30 | 47.6 | 175 | 127 | 57 | 17 | 20 | 20 | 93 | 42.9 | 17.5 | M14 | UCX06 | PX06 | 1.71 |
| UCPX06-17 | 1-1/16 | 1-7/8 | 6-7/8 | 5 | 2-1/4 | 43/64 | 25/32 | 25/32 | 3-21/32 | 1.6890 | 0.689 | 1/2 | UCX06-17 | PX06 | 1.71 |
| UCPX06-18 | 1-1/8 | 1-7/8 | 6-7/8 | 5 | 2-1/4 | 43/64 | 25/32 | 25/32 | 3-21/32 | 1.6890 | 0.689 | 1/2 | UCX06-18 | PX06 | 1.71 |
| UCPX06-19 | 1-3/16 | 1-7/8 | 6-7/8 | 5 | 2-1/4 | 43/64 | 25/32 | 25/32 | 3-21/32 | 1.6890 | 0.689 | 1/2 | UCX06-19 | PX06 | 1.71 |
| UCPX06-20 | 1-1/4 | 1-7/8 | 6-7/8 | 5 | 2-1/4 | 43/64 | 25/32 | 25/32 | 3-21/32 | 1.6890 | 0.689 | 1/2 | UCX06-20 | PX06 | 1.71 |
| UCPX07 | 35 | 54 | 203 | 144 | 57 | 17 | 20 | 21 | 105 | 49.2 | 19 | M14 | UCX07 | PX07 | 2.3 |
| UCPX07-21 | 1-5/16 | 2-1/8 | 8 | 5-21/32 | 2-1/4 | 43/64 | 25/32 | 13/16 | 4-1/8 | 1.9370 | 0.748 | 1/2 | UCX07-21 | PX07 | 2.3 |
| UCPX07-22 | 1-3/8 | 2-1/8 | 8 | 5-21/32 | 2-1/4 | 43/64 | 25/32 | 13/16 | 4-1/8 | 1.9370 | 0.748 | 1/2 | UCX07-22 | PX07 | 2.3 |
| UCPX07-23 | 1-7/16 | 2-1/8 | 8 | 5-21/32 | 2-1/4 | 43/64 | 25/32 | 13/16 | 4-1/8 | 1.9370 | 0.748 | 1/2 | UCX07-23 | PX07 | 2.3 |
| UCPX08 | 40 | 58.7 | 222 | 156 | 67 | 20 | 23 | 26 | 111 | 49.2 | 19 | M16 | UCX08 | PX08 | 2.84 |
| UCPX08-24 | 1-1/2 | 2-5/16 | 8-3/4 | 6-5/32 | 2-5/8 | 25/32 | 29/32 | 1-1/32 | 4-3/8 | 1.9370 | 0.748 | 5/8 | UCX08-24 | PX08 | 2.84 |
| UCPX08-25 | 1-9/16 | 2-5/16 | 8-3/4 | 6-5/32 | 2-5/8 | 25/32 | 29/32 | 1-1/32 | 4-3/8 | 1.9370 | 0.748 | 5/8 | UCX08-25 | PX08 | 2.84 |
| UCPX09 | 45 | 58.7 | 222 | 156 | 67 | 20 | 23 | 26 | 116 | 51.6 | 19 | M16 | UCX09 | PX09 | 3.2 |
| UCPX09-26 | 1-5/8 | 2-5/16 | 8-3/4 | 6-5/32 | 2-5/8 | 25/32 | 29/32 | 1-1/32 | 4-9/16 | 2.0315 | 0.748 | 5/8 | UCX09-26 | PX09 | 3.2 |
| UCPX09-27 | 1-11/16 | 2-5/16 | 8-3/4 | 6-5/32 | 2-5/8 | 25/32 | 29/32 | 1-1/32 | 4-9/16 | 2.0315 | 0.748 | 5/8 | UCX09-27 | PX09 | 3.2 |
| UCPX09-28 | 1-3/4 | 2-5/16 | 8-3/4 | 6-5/32 | 2-5/8 | 25/32 | 29/32 | 1-1/32 | 4-9/16 | 2.0315 | 0.748 | 5/8 | UCX09-28 | PX09 | 3.2 |
| UCPX09-29 | 1-13/16 | 2-5/16 | 8-3/4 | 6-5/32 | 2-5/8 | 25/32 | 29/32 | 1-1/32 | 4-9/16 | 2.0315 | 0.748 | 5/8 | UCX09-29 | PX09 | 3.2 |
| UCPX10 | 50 | 63.5 | 241 | 171 | 73 | 20 | 23 | 27 | 126 | 55.6 | 22.2 | M16 | UCX10 | PX10 | 4.07 |
| UCPX10-30 | 1-7/8 | 2-1/2 | 9-1/2 | 6-47/64 | 2-7/8 | 25/32 | 29/32 | 1-1/16 | 4-31/32 | 2.1890 | 0.874 | 5/8 | UCX10-30 | PX10 | 4.07 |
| UCPX10-31 | 1-15/16 | 2-1/2 | 9-1/2 | 6-47/64 | 2-7/8 | 25/32 | 29/32 | 1-1/16 | 4-31/32 | 2.1890 | 0.874 | 5/8 | UCX10-31 | PX10 | 4.07 |
| UCPX10-32 | 2 | 2-1/2 | 9-1/2 | 6-47/64 | 2-7/8 | 25/32 | 29/32 | 1-1/16 | 4-31/32 | 2.1890 | 0.874 | 5/8 | UCX10-32 | PX10 | 4.07 |
| UCPX11 | 55 | 69.8 | 260 | 184 | 79 | 25 | 28 | 30 | 137 | 65.1 | 25.4 | M20 | UCX11 | PX11 | 5.18 |
| UCPX11-33 | 2-1/16 | 2-3/4 | 10-1/4 | 7-1/4 | 3-1/8 | 31/32 | 1-3/32 | 1-3/16 | 5-13/32 | 2.5630 | 1.000 | 3/4 | UCX11-33 | PX11 | 5.18 |
| UCPX11-34 | 2-1/8 | 2-3/4 | 10-1/4 | 7-1/4 | 3-1/8 | 31/32 | 1-3/32 | 1-3/16 | 5-13/32 | 2.5630 | 1.000 | 3/4 | UCX11-34 | PX11 | 5.18 |
| UCPX11-35 | 2-3/16 | 2-3/4 | 10-1/4 | 7-1/4 | 3-1/8 | 31/32 | 1-3/32 | 1-3/16 | 5-13/32 | 2.5630 | 1.000 | 3/4 | UCX11-35 | PX11 | 5.18 |
| UCPX11-36 | 2-1/4 | 2-3/4 | 10-1/4 | 7-1/4 | 3-1/8 | 31/32 | 1-3/32 | 1-3/16 | 5-13/32 | 2.5630 | 1.000 | 3/4 | UCX11-36 | PX11 | 5.18 |
| UCPX11-37 | 2-5/16 | 2-3/4 | 10-1/4 | 7-1/4 | 3-1/8 | 31/32 | 1-3/32 | 1-3/16 | 5-13/32 | 2.5630 | 1.000 | 3/4 | UCX11-37 | PX11 | 5.18 |
| UCPX12 | 60 | 76.2 | 286 | 203 | 83 | 25 | 28 | 33 | 151 | 65.1 | 25.4 | M20 | UCX12 | PX12 | 6.67 |
| UCPX12-38 | 2-3/8 | 3 | 11-1/4 | 8 | 3-9/32 | 31/32 | 1-3/32 | 1-5/16 | 5-15/16 | 2.5630 | 1.000 | 3/4 | UCX12-38 | PX12 | 6.67 |
| UCPX12-39 | 2-7/16 | 3 | 11-1/4 | 8 | 3-9/32 | 31/32 | 1-3/32 | 1-5/16 | 5-15/16 | 2.5630 | 1.000 | 3/4 | UCX12-39 | PX12 | 6.67 |
| UCPX13 | 65 | 76.2 | 286 | 203 | 83 | 25 | 28 | 33 | 154 | 74.6 | 30.2 | M20 | UCX13 | PX13 | 6.92 |
| UCPX13-40 | 2-1/2 | 3 | 11-1/4 | 8 | 3-9/32 | 63/64 | 1-3/32 | 1-5/16 | 6-1/16 | 2.9370 | 1.189 | 3/4 | UCX13-40 | PX13 | 6.92 |
| UCPX13-41 | 2-9/16 | 3 | 11-1/4 | 8 | 3-9/32 | 63/64 | 1-3/32 | 1-5/16 | 6-1/16 | 2.9370 | 1.189 | 3/4 | UCX13-41 | PX13 | 6.92 |
| UCPX14 | 70 | 88.9 | 330 | 229 | 89 | 27 | 30 | 35 | 170 | 77.8 | 33.3 | M22 | UCX14 | PX14 | 8.64 |
| UCPX14-42 | 2-5/8 | 3-1/2 | 13 | 9-1/32 | 3-1/2 | 1-1/16 | 1-3/16 | 1-3/8 | 6-11/16 | 3.0630 | 1.311 | 7/8 | UCX14-42 | PX14 | 8.64 |
| UCPX14-43 | 2-11/16 | 3-1/2 | 13 | 9-1/32 | 3-1/2 | 1-1/16 | 1-3/16 | 1-3/8 | 6-11/16 | 3.0630 | 1.311 | 7/8 | UCX14-43 | PX14 | 8.64 |
| UCPX14-44 | 2-3/4 | 3-1/2 | 13 | 9-1/32 | 3-1/2 | 1-1/16 | 1-3/16 | 1-3/8 | 6-11/16 | 3.0630 | 1.311 | 7/8 | UCX14-44 | PX14 | 8.64 |
| UCPX15 | 75 | 88.9 | 330 | 229 | 89 | 27 | 30 | 35 | 175 | 82.6 | 33.3 | M22 | UCX15 | PX15 | 9.4 |
| UCPX15-45 | 2-13/16 | 3-1/2 | 13 | 9-1/32 | 3-1/2 | 1-1/16 | 1-3/16 | 1-3/8 | 6-7/8 | 3.2520 | 1.311 | 7/8 | UCX15-45 | PX15 | 9.4 |
| UCPX15-46 | 2-7/8 | 3-1/2 | 13 | 9-1/32 | 3-1/2 | 1-1/16 | 1-3/16 | 1-3/8 | 6-7/8 | 3.2520 | 1.311 | 7/8 | UCX15-46 | PX15 | 9.4 |
| UCPX15-47 | 2-15/16 | 3-1/2 | 13 | 9-1/32 | 3-1/2 | 1-1/16 | 1-3/16 | 1-3/8 | 6-7/8 | 3.2520 | 1.311 | 7/8 | UCX15-47 | PX15 | 9.4 |
| UCPX15-48 | 3 | 3-1/2 | 13 | 9-1/32 | 3-1/2 | 1-1/16 | 1-3/16 | 1-3/8 | 6-7/8 | 3.2520 | 1.311 | 7/8 | UCX15-48 | PX15 | 9.4 |
| UCPX16 | 80 | 101.6 | 381 | 283 | 102 | 27 | 30 | 40 | 194 | 85.7 | 34.1 | M22 | UCX16 | PX16 | 13.44 |
| UCPX16-49 | 3-1/16 | 4 | 15 | 11-5/32 | 4-1/32 | 1-1/16 | 1-3/16 | 1-9/16 | 7-5/8 | 3.3740 | 1.343 | 7/8 | UCX16-49 | PX16 | 13.44 |
| UCPX16-50 | 3-1/8 | 4 | 15 | 11-5/32 | 4-1/32 | 1-1/16 | 1-3/16 | 1-9/16 | 7-5/8 | 3.3740 | 1.343 | 7/8 | UCX16-50 | PX16 | 13.44 |
| UCPX16-51 | 3-3/16 | 4 | 15 | 11-5/32 | 4-1/32 | 1-1/16 | 1-3/16 | 1-9/16 | 7-5/8 | 3.3740 | 1.343 | 7/8 | UCX16-51 | PX16 | 13.44 |
| UCPX16-52 | 3-1/4 | 4 | 15 | 11-5/32 | 4-1/32 | 1-1/16 | 1-3/16 | 1-9/16 | 7-5/8 | 3.3740 | 1.343 | 7/8 | UCX16-52 | PX16 | 13.44 |
| UCPX17 | 85 | 101.6 | 381 | 283 | 102 | 27 | 30 | 40 | 200 | 96 | 39.7 | M22 | UCX17 | PX17 | 14.57 |
| UCPX17-53 | 3-5/16 | 4 | 15 | 11-5/32 | 4-1/32 | 1-1/16 | 1-3/16 | 1-9/16 | 7-7/8 | 3.7795 | 1.563 | 7/8 | UCX17-53 | PX17 | 14.57 |
| UCPX17-55 | 3-7/16 | 4 | 15 | 11-5/32 | 4-1/32 | 1-1/16 | 1-3/16 | 1-9/16 | 7-7/8 | 3.7795 | 1.563 | 7/8 | UCX17-55 | PX17 | 14.57 |
| UCPX18 | 90 | 101.6 | 381 | 283 | 111 | 27 | 30 | 40 | 206 | 104 | 42.9 | M22 | UCX18 | PX18 | 16.47 |
| UCPX18-56 | 3-1/2 | 4 | 15 | 11-5/32 | 4-3/8 | 1-1/16 | 1-3/16 | 1-37/64 | 8-7/64 | 4.0945 | 1.6890 | 7/8 | UCX18-56 | PX18 | 16.47 |
| UCPX20 | 100 | 127 | 432 | 337 | 121 | 33 | 36 | 45 | 244 | 117.5 | 49.2 | M27 | UCX20 | PX20 | 24.91 |
| UCPX20-64 | 4 | 5 | 17 | 13-9/32 | 4-3/4 | 1-5/16 | 1-27/64 | 1-25/32 | 9-39/64 | 4.6260 | 1.9370 | 1 | UCX20-64 | PX20 | 24.91 |