Beguiled and demoralized by the charms of pleasure of the moment, so by desire,
that they cannot foresee.
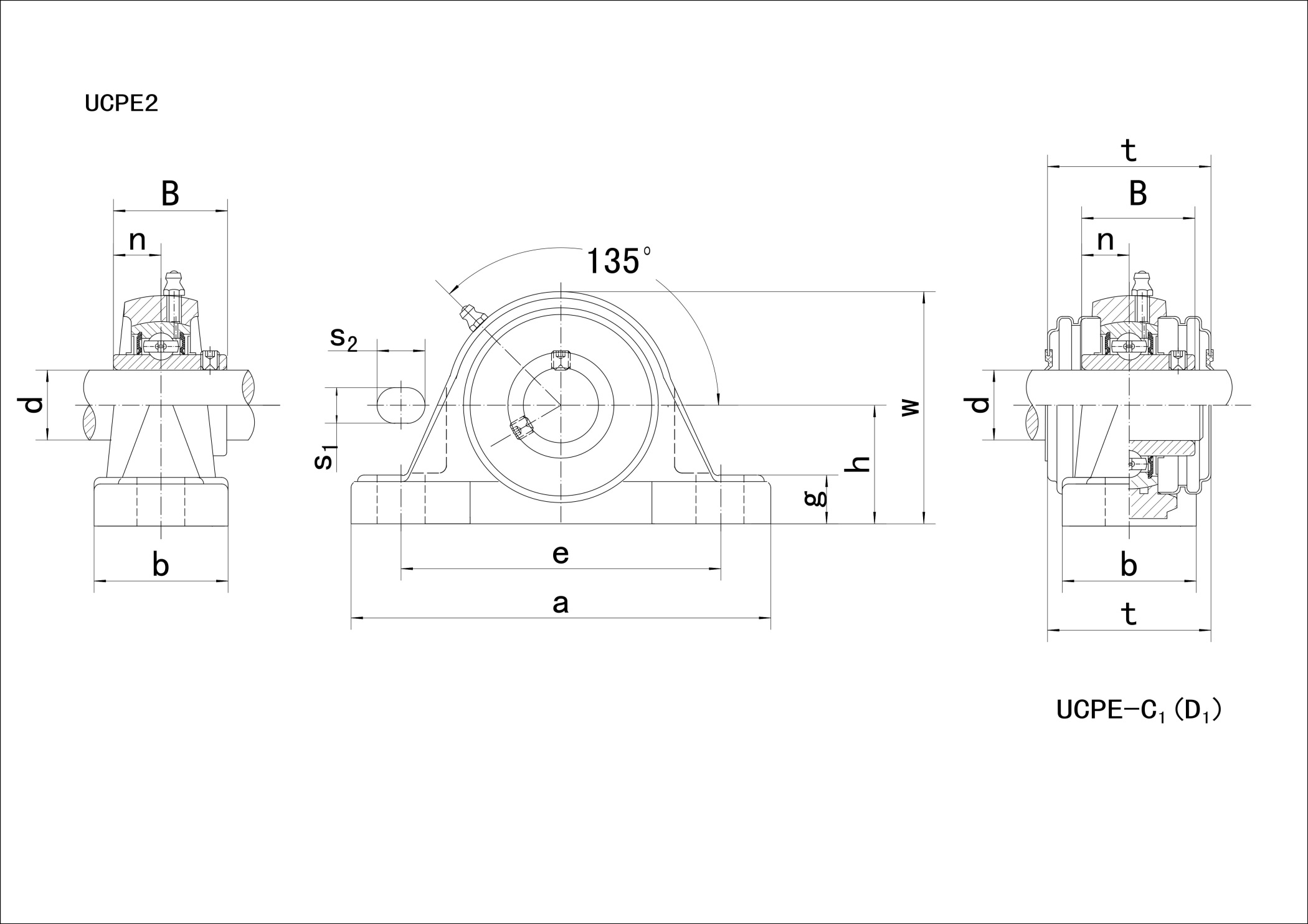
| Unit NO. | Demension(mm/in) | Bolt size (mm/in) | Bearing NO. | HOUSING NO. | Weight (kg) | |||||||||||
|---|---|---|---|---|---|---|---|---|---|---|---|---|---|---|---|---|
| d | h | a | e | b | s1 | s2 | g | w | t | B | n | |||||
| UCPE201 | 12 | 33.3 | 127 | 95 | 38 | 13 | 19 | 14 | 65 | 44.5 | 31 | 12.7 | M10 | UC201 | PE201 | 0.78 |
| UCPE201-8 | 1/2 | 1-5/16 | 5 | 3-3/4 | 1-1/2 | 1/2 | 3/4 | 9/16 | 2-9/16 | 1-3/4 | 1.2205 | 0.500 | 3/8 | UC201-8 | PE201 | 0.78 |
| UCPE202 | 15 | 33.3 | 127 | 95 | 38 | 13 | 19 | 14 | 65 | 44.5 | 31 | 12.7 | M10 | UC202 | PE202 | 0.77 |
| UCPE202-9 | 9/16 | 1-5/16 | 5 | 3-3/4 | 1-1/2 | 1/2 | 3/4 | 9/16 | 2-9/16 | 1-3/4 | 1.2205 | 0.500 | 3/8 | UC202-9 | PE202 | 0.77 |
| UCPE202-10 | 5/8 | 1-5/16 | 5 | 3-3/4 | 1-1/2 | 1/2 | 3/4 | 9/16 | 2-9/16 | 1-3/4 | 1.2205 | 0.500 | 3/8 | UC202-10 | PE202 | 0.77 |
| UCPE203 | 17 | 33.3 | 127 | 95 | 38 | 13 | 19 | 14 | 65 | 44.5 | 31 | 12.7 | M10 | UC203 | PE203 | 0.76 |
| UCPE203-11 | 11/16 | 1-5/16 | 5 | 3-3/4 | 1-1/2 | 1/2 | 3/4 | 9/16 | 2-9/16 | 1-3/4 | 1.2205 | 0.500 | 3/8 | UC203-11 | PE203 | 0.75 |
| UCPE204 | 20 | 33.3 | 127 | 95 | 38 | 13 | 19 | 14 | 65 | 44.5 | 31 | 12.7 | M10 | UC204 | PE204 | 0.74 |
| UCPE204-12 | 3/4 | 1-5/16 | 5 | 3-3/4 | 1-1/2 | 1/2 | 3/4 | 9/16 | 2-9/16 | 1-3/4 | 1.2205 | 0.500 | 3/8 | UC204-12 | PE204 | 0.74 |
| UCPE205 | 25 | 36.5 | 140 | 105 | 38 | 13 | 19 | 15 | 71 | 48 | 34.1 | 14.3 | M10 | UC205 | PE205 | 0.89 |
| UCPE205-13 | 13/16 | 1-7/16 | 5-1/2 | 4-1/8 | 1-1/2 | 1/2 | 3/4 | 19/32 | 2-25/32 | 1-57/64 | 1.3425 | 0.563 | 3/8 | UC205-13 | PE205 | 0.93 |
| UCPE205-14 | 7/8 | 1-7/16 | 5-1/2 | 4-1/8 | 1-1/2 | 1/2 | 3/4 | 19/32 | 2-25/32 | 1-57/64 | 1.3425 | 0.563 | 3/8 | UC205-14 | PE205 | 0.92 |
| UCPE205-15 | 15/16 | 1-7/16 | 5-1/2 | 4-1/8 | 1-1/2 | 1/2 | 3/4 | 19/32 | 2-25/32 | 1-57/64 | 1.3425 | 0.563 | 3/8 | UC205-15 | PE205 | 0.9 |
| UCPE205-16 | 1 | 1-7/16 | 5-1/2 | 4-1/8 | 1-1/2 | 1/2 | 3/4 | 19/32 | 2-25/32 | 1-57/64 | 1.3425 | 0.563 | 3/8 | UC205-16 | PE205 | 0.89 |
| UCPE206 | 30 | 42.9 | 160 | 121 | 44 | 17 | 20 | 17 | 84 | 53 | 38.1 | 15.9 | M14 | UC206 | PE206 | 1.37 |
| UCPE206-17 | 1-1/16 | 1-11/16 | 6-19/64 | 4-3/4 | 1-47/64 | 43/64 | 25/32 | 21/32 | 3-5/16 | 2-5/64 | 1.5000 | 0.626 | 1/2 | UC206-17 | PE206 | 1.38 |
| UCPE206-18 | 1-1/8 | 1-11/16 | 6-19/64 | 4-3/4 | 1-47/64 | 43/64 | 25/32 | 21/32 | 3-5/16 | 2-5/64 | 1.5000 | 0.626 | 1/2 | UC206-18 | PE206 | 1.39 |
| UCPE206-19 | 1-3/16 | 1-11/16 | 6-19/64 | 4-3/4 | 1-47/64 | 43/64 | 25/32 | 21/32 | 3-5/16 | 2-5/64 | 1.5000 | 0.626 | 1/2 | UC206-19 | PE206 | 1.37 |
| UCPE206-20 | 1-1/4 | 1-11/16 | 6-19/64 | 4-3/4 | 1-47/64 | 43/64 | 25/32 | 21/32 | 3-5/16 | 2-5/64 | 1.5000 | 0.626 | 1/2 | UC206-20 | PE206 | 1.36 |
| UCPE207 | 35 | 47.6 | 167 | 127 | 48 | 17 | 20 | 18 | 93 | 59.5 | 42.9 | 17.5 | M14 | UC207 | PE207 | 1.72 |
| UCPE207-20 | 1-1/4 | 1-7/8 | 6-9/16 | 5 | 1-7/8 | 43/64 | 25/32 | 45/64 | 3-21/32 | 2-11/32 | 1.6890 | 0.689 | 1/2 | UC207-20 | PE207 | 1.78 |
| UCPE207-21 | 1-5/16 | 1-7/8 | 6-9/16 | 5 | 1-7/8 | 43/64 | 25/32 | 45/64 | 3-21/32 | 2-11/32 | 1.6890 | 0.689 | 1/2 | UC207-21 | PE207 | 1.75 |
| UCPE207-22 | 1-3/8 | 1-7/8 | 6-9/16 | 5 | 1-7/8 | 43/64 | 25/32 | 45/64 | 3-21/32 | 2-11/32 | 1.6890 | 0.689 | 1/2 | UC207-22 | PE207 | 1.72 |
| UCPE207-23 | 1-7/16 | 1-7/8 | 6-9/16 | 5 | 1-7/8 | 43/64 | 25/32 | 45/64 | 3-21/32 | 2-11/32 | 1.6890 | 0.689 | 1/2 | UC207-23 | PE207 | 1.69 |
| UCPE208 | 40 | 49.2 | 184 | 137 | 54 | 17 | 20 | 18 | 100 | 69 | 49.2 | 19 | M14 | UC208 | PE208 | 2.2 |
| UCPE208-24 | 1-1/2 | 1-15/16 | 7-1/4 | 5-13/32 | 2-1/8 | 43/64 | 25/32 | 45/64 | 3-15/16 | 2-23/32 | 1.9370 | 0.748 | 1/2 | UC208-24 | PE208 | 2.24 |
| UCPE208-25 | 1-9/16 | 1-15/16 | 7-1/4 | 5-13/32 | 2-1/8 | 43/64 | 25/32 | 45/64 | 3-15/16 | 2-23/32 | 1.9370 | 0.748 | 1/2 | UC208-25 | PE208 | 2.21 |
| UCPE209 | 45 | 54 | 190 | 146 | 54 | 17 | 20 | 20 | 106 | 69 | 49.2 | 19 | M14 | UC209 | PE209 | 2.44 |
| UCPE209-26 | 1-5/8 | 2-1/8 | 7-15/32 | 5-3/4 | 2-1/8 | 43/64 | 25/32 | 25/32 | 4-11/64 | 2-23/32 | 1.9370 | 0.748 | 1/2 | UC209-26 | PE209 | 2.54 |
| UCPE209-27 | 1-11/16 | 2-1/8 | 7-15/32 | 5-3/4 | 2-1/8 | 43/64 | 25/32 | 25/32 | 4-11/64 | 2-23/32 | 1.9370 | 0.748 | 1/2 | UC209-27 | PE209 | 2.5 |
| UCPE209-28 | 1-3/4 | 2-1/8 | 7-15/32 | 5-3/4 | 2-1/8 | 43/64 | 25/32 | 25/32 | 4-11/64 | 2-23/32 | 1.9370 | 0.748 | 1/2 | UC209-28 | PE209 | 2.46 |
| UCPE210 | 50 | 57.2 | 206 | 159 | 60 | 20 | 23 | 21 | 113 | 74.5 | 51.6 | 19 | M16 | UC210 | PE210 | 3.05 |
| UCPE210-29 | 1-13/16 | 2-1/4 | 8-1/8 | 6-1/4 | 2-3/8 | 25/32 | 29/32 | 53/64 | 4-29/64 | 2-15/16 | 2.0315 | 0.748 | 5/8 | UC210-29 | PE210 | 3.17 |
| UCPE210-30 | 1-7/8 | 2-1/4 | 8-1/8 | 6-1/4 | 2-3/8 | 25/32 | 29/32 | 53/64 | 4-29/64 | 2-15/16 | 2.0315 | 0.748 | 5/8 | UC210-30 | PE210 | 3.12 |
| UCPE210-31 | 1-15/16 | 2-1/4 | 8-1/8 | 6-1/4 | 2-3/8 | 25/32 | 29/32 | 53/64 | 4-29/64 | 2-15/16 | 2.0315 | 0.748 | 5/8 | UC210-31 | PE210 | 3.07 |
| UCPE210-32 | 2 | 2-1/4 | 8-1/8 | 6-1/4 | 2-3/8 | 25/32 | 29/32 | 53/64 | 4-29/64 | 2-15/16 | 2.0315 | 0.748 | 5/8 | UC210-32 | PE210 | 3.03 |
| UCPE211 | 55 | 63.5 | 219 | 171 | 60 | 20 | 23 | 23 | 125 | 76 | 55.6 | 22.2 | M16 | UC211 | PE211 | 3.73 |
| UCPE211-32 | 2 | 2-1/2 | 8-5/8 | 6-47/64 | 2-3/8 | 25/32 | 29/32 | 29/32 | 4-59/64 | 3 | 2.1890 | 0.874 | 5/8 | UC211-32 | PE211 | 3.88 |
| UCPE211-33 | 2-1/16 | 2-1/2 | 8-5/8 | 6-47/64 | 2-3/8 | 25/32 | 29/32 | 29/32 | 4-59/64 | 3 | 2.1890 | 0.874 | 5/8 | UC211-33 | PE211 | 3.82 |
| UCPE211-34 | 2-1/8 | 2-1/2 | 8-5/8 | 6-47/64 | 2-3/8 | 25/32 | 29/32 | 29/32 | 4-59/64 | 3 | 2.1890 | 0.874 | 5/8 | UC211-34 | PE211 | 3.78 |
| UCPE211-35 | 2-3/16 | 2-1/2 | 8-5/8 | 6-47/64 | 2-3/8 | 25/32 | 29/32 | 29/32 | 4-59/64 | 3 | 2.1890 | 0.874 | 5/8 | UC211-35 | PE211 | 3.71 |
| UCPE212 | 60 | 69.8 | 241 | 184 | 70 | 20 | 23 | 25 | 138 | 89 | 65.1 | 25.4 | M16 | UC212 | PE212 | 5.25 |
| UCPE212-36 | 2-1/4 | 2-3/4 | 9-1/2 | 7-1/4 | 2-3/4 | 25/32 | 29/32 | 63/64 | 5-7/16 | 3-1/2 | 2.5630 | 1.000 | 5/8 | UC212-36 | PE212 | 5.38 |
| UCPE212-37 | 2-5/16 | 2-3/4 | 9-1/2 | 7-1/4 | 2-3/4 | 25/32 | 29/32 | 63/64 | 5-7/16 | 3-1/2 | 2.5630 | 1.000 | 5/8 | UC212-37 | PE212 | 5.3 |
| UCPE212-38 | 2-3/8 | 2-3/4 | 9-1/2 | 7-1/4 | 2-3/4 | 25/32 | 29/32 | 63/64 | 5-7/16 | 3-1/2 | 2.5630 | 1.000 | 5/8 | UC212-38 | PE212 | 5.23 |
| UCPE212-39 | 2-7/16 | 2-3/4 | 9-1/2 | 7-1/4 | 2-3/4 | 25/32 | 29/32 | 63/64 | 5-7/16 | 3-1/2 | 2.5630 | 1.000 | 5/8 | UC212-39 | PE212 | 5.16 |
| UCPE213 | 65 | 76.2 | 265 | 203 | 70 | 25 | 28 | 27 | 150 | 89 | 65.1 | 25.4 | M20 | UC213 | PE213 | 6.22 |
| UCPE213-40 | 2-1/2 | 3 | 10-7/16 | 8 | 2-3/4 | 63/64 | 1-3/32 | 1-1/16 | 5-29/32 | 3-1/2 | 2.5630 | 1.000 | 3/4 | UC213-40 | PE213 | 6.31 |
| UCPE213-41 | 2-9/16 | 3 | 10-7/16 | 8 | 2-3/4 | 63/64 | 1-3/32 | 1-1/16 | 5-29/32 | 3-1/2 | 2.5630 | 1.000 | 3/4 | UC213-41 | PE213 | 6.22 |
| UCPE214 | 70 | 79.4 | 266 | 210 | 72 | 25 | 28 | 27 | 156 | 98 | 74.6 | 30.2 | M20 | UC214 | PE214 | 6.83 |
| UCPE214-42 | 2-5/8 | 3-1/8 | 10-15/32 | 8-17/64 | 2-27/32 | 63/64 | 1-3/32 | 1-1/16 | 6-9/64 | 3-55/64 | 2.9370 | 1.189 | 3/4 | UC214-42 | PE214 | 7.04 |
| UCPE214-43 | 2-11/16 | 3-1/8 | 10-15/32 | 8-17/64 | 2-27/32 | 63/64 | 1-3/32 | 1-1/16 | 6-9/64 | 3-55/64 | 2.9370 | 1.189 | 3/4 | UC214-43 | PE214 | 6.94 |
| UCPE214-44 | 2-3/4 | 3-1/8 | 10-15/32 | 8-17/64 | 2-27/32 | 63/64 | 1-3/32 | 1-1/16 | 6-9/64 | 3-55/64 | 2.9370 | 1.189 | 3/4 | UC214-44 | PE214 | 6.84 |
| UCPE215 | 75 | 82.6 | 275 | 217 | 74 | 25 | 28 | 28 | 162 | 99 | 77.8 | 33.3 | M20 | UC215 | PE215 | 7.56 |
| UCPE215-45 | 2-13/16 | 3-1/4 | 10-53/64 | 8-35/64 | 2-29/32 | 63/64 | 1-3/32 | 1-3/32 | 6-3/8 | 3-57/64 | 3.0630 | 1.311 | 3/4 | UC215-45 | PE215 | 7.56 |
| UCPE215-46 | 2-7/8 | 3-1/4 | 10-53/64 | 8-35/64 | 2-29/32 | 63/64 | 1-3/32 | 1-3/32 | 6-3/8 | 3-57/64 | 3.0630 | 1.311 | 3/4 | UC215-46 | PE215 | 7.81 |
| UCPE215-47 | 2-15/16 | 3-1/4 | 10-53/64 | 8-35/64 | 2-29/32 | 63/64 | 1-3/32 | 1-3/32 | 6-3/8 | 3-57/64 | 3.0630 | 1.311 | 3/4 | UC215-47 | PE215 | 7.7 |
| UCPE215-48 | 3 | 3-1/4 | 10-53/64 | 8-35/64 | 2-29/32 | 63/64 | 1-3/32 | 1-3/32 | 6-3/8 | 3-57/64 | 3.0630 | 1.311 | 3/4 | UC215-48 | PE215 | 7.5 |
| UCPE216 | 80 | 88.9 | 292 | 232 | 78 | 25 | 28 | 30 | 174 | 109 | 82.6 | 33.3 | M20 | UC216 | PE216 | 9.22 |
| UCPE216-49 | 3-1/16 | 3-1/2 | 11-1/2 | 9-1/8 | 3-1/16 | 63/64 | 1-3/32 | 1-3/16 | 6-27/32 | 4-19/64 | 3.2520 | 1.311 | 3/4 | UC216-49 | PE216 | 9.4 |
| UCPE216-50 | 3-1/8 | 3-1/2 | 11-1/2 | 9-1/8 | 3-1/16 | 63/64 | 1-3/32 | 1-3/16 | 6-27/32 | 4-19/64 | 3.2520 | 1.311 | 3/4 | UC216-50 | PE216 | 9.27 |
| UCPE216-51 | 3-3/16 | 3-1/2 | 11-1/2 | 9-1/8 | 3-1/16 | 63/64 | 1-3/32 | 1-3/16 | 6-27/32 | 4-19/64 | 3.2520 | 1.311 | 3/4 | UC216-51 | PE216 | 9.14 |
| UCPE217 | 85 | 95.2 | 310 | 247 | 83 | 25 | 28 | 32 | 185 | 113.2 | 85.7 | 34.1 | M20 | UC217 | PE217 | 11.23 |
| UCPE217-52 | 3-1/4 | 3-3/4 | 12-13/64 | 9-23/32 | 3-17/64 | 63/64 | 1-3/32 | 1-1/4 | 7-9/32 | 4-29/64 | 3.3740 | 1.343 | 3/4 | UC217-52 | PE217 | 11.35 |
| UCPE217-53 | 3-5/16 | 3-3/4 | 12-13/64 | 9-23/32 | 3-17/64 | 63/64 | 1-3/32 | 1-1/4 | 7-9/32 | 4-29/64 | 3.3740 | 1.343 | 3/4 | UC217-53 | PE217 | 11.31 |
| UCPE217-55 | 3-7/16 | 3-3/4 | 12-13/64 | 9-23/32 | 3-17/64 | 63/64 | 1-3/32 | 1-1/4 | 7-9/32 | 4-29/64 | 3.3740 | 1.343 | 3/4 | UC217-55 | PE217 | 11.02 |
| UCPE218 | 90 | 101.6 | 327 | 262 | 88 | 27 | 30 | 33 | 198 | 123 | 96 | 39.7 | M22 | UC218 | PE218 | 13.61 |
| UCPE218-56 | 3-1/2 | 4 | 12-7/8 | 10-5/16 | 3-15/32 | 1-1/16 | 1-3/16 | 1-19/64 | 7-51/64 | 4-27/32 | 3.7795 | 1.5630 | 7/8 | UC218-56 | PE218 | 13.72 |