Beguiled and demoralized by the charms of pleasure of the moment, so by desire,
that they cannot foresee.
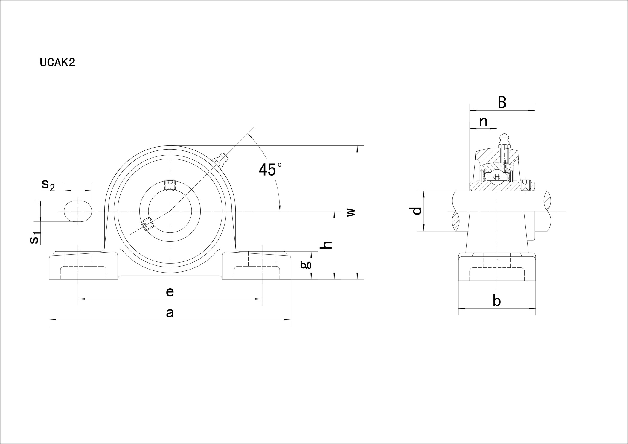
| Unit NO. | Dimensions ( mm / in. ) | Bolt Size mm/in. | Bearing No. | Housing No. | Weight (kg) | ||||||||||
|---|---|---|---|---|---|---|---|---|---|---|---|---|---|---|---|
| d | h | a | e | b | s1 | s2 | g | w | B | n | |||||
| UCAK204 | 20 | 31.75 | 133 | 98 | 41 | 13 | 16 | 14 | 64 | 31 | 12.7 | M10 | UC204 | AK204 | 0.74 |
| UCAK204-12 | 3/4 | 1-1/4 | 5-15/64 | 3-55/64 | 1-5/8 | 1/2 | 5/8 | 9/16 | 2-33/64 | 1.2205 | 0.500 | 3/8 | UC204-12 | AK204 | 0.74 |
| UCAK205 | 25 | 33.34 | 140 | 105 | 44 | 13 | 16 | 16 | 68 | 34.1 | 14.3 | M10 | UC205 | AK205 | 0.88 |
| UCAK205-13 | 13/16 | 1-5/16 | 5-33/64 | 4-9/64 | 1-47/64 | 1/2 | 5/8 | 5/8 | 2-43/64 | 1.3425 | 0.563 | 3/8 | UC205-13 | AK205 | 0.92 |
| UCAK205-14 | 7/8 | 1-5/16 | 5-33/64 | 4-9/64 | 1-47/64 | 1/2 | 5/8 | 5/8 | 2-43/64 | 1.3425 | 0.563 | 3/8 | UC205-14 | AK205 | 0.91 |
| UCAK205-15 | 15/16 | 1-5/16 | 5-33/64 | 4-9/64 | 1-47/64 | 1/2 | 5/8 | 5/8 | 2-43/64 | 1.3425 | 0.563 | 3/8 | UC205-15 | AK205 | 0.89 |
| UCAK205-16 | 1 | 1-5/16 | 5-33/64 | 4-9/64 | 1-47/64 | 1/2 | 5/8 | 5/8 | 2-43/64 | 1.3425 | 0.563 | 3/8 | UC205-16 | AK205 | 0.88 |
| UCAK206 | 30 | 39.69 | 160 | 121 | 48 | 15 | 19 | 17 | 80 | 38.1 | 15.9 | M12 | UC206 | AK206 | 1.27 |
| UCAK206-17 | 1-1/16 | 1-9/16 | 6-19/64 | 4-49/64 | 1-57/64 | 19/32 | 3/4 | 43/64 | 3-5/32 | 1.5000 | 0.626 | 7/16 | UC206-17 | AK206 | 1.28 |
| UCAK206-18 | 1-1/8 | 1-9/16 | 6-19/64 | 4-49/64 | 1-57/64 | 19/32 | 3/4 | 43/64 | 3-5/32 | 1.5000 | 0.626 | 7/16 | UC206-18 | AK206 | 1.29 |
| UCAK206-19 | 1-3/16 | 1-9/16 | 6-19/64 | 4-49/64 | 1-57/64 | 19/32 | 3/4 | 43/64 | 3-5/32 | 1.5000 | 0.626 | 7/16 | UC206-19 | AK206 | 1.27 |
| UCAK206-20 | 1-1/4 | 1-9/16 | 6-19/64 | 4-49/64 | 1-57/64 | 19/32 | 3/4 | 43/64 | 3-5/32 | 1.5000 | 0.626 | 7/16 | UC206-20 | AK206 | 1.26 |
| UCAK207 | 35 | 46.04 | 167 | 127 | 48 | 15 | 19 | 19 | 92 | 42.9 | 17.5 | M12 | UC207 | AK207 | 1.6 |
| UCAK207-20 | 1-1/4 | 1-13/16 | 6-37/64 | 5 | 1-57/64 | 19/32 | 3/4 | 3/4 | 3-5/8 | 1.6890 | 0.689 | 7/16 | UC207-20 | AK207 | 1.66 |
| UCAK207-21 | 1-5/16 | 1-13/16 | 6-37/64 | 5 | 1-57/64 | 19/32 | 3/4 | 3/4 | 3-5/8 | 1.6890 | 0.689 | 7/16 | UC207-21 | AK207 | 1.63 |
| UCAK207-22 | 1-3/8 | 1-13/16 | 6-37/64 | 5 | 1-57/64 | 19/32 | 3/4 | 3/4 | 3-5/8 | 1.6890 | 0.689 | 7/16 | UC207-22 | AK207 | 1.6 |
| UCAK207-23 | 1-7/16 | 1-13/16 | 6-37/64 | 5 | 1-57/64 | 19/32 | 3/4 | 3/4 | 3-5/8 | 1.6890 | 0.689 | 7/16 | UC207-23 | AK207 | 1.57 |
| UCAK208 | 40 | 49.2 | 181 | 140 | 54 | 15 | 19 | 19 | 100 | 49.2 | 19 | M12 | UC208 | AK208 | 2.09 |
| UCAK208-24 | 1-1/2 | 1-15/16 | 7-1/8 | 5-33/64 | 2-1/8 | 19/32 | 3/4 | 3/4 | 3-15/16 | 1.9370 | 0.748 | 7/16 | UC208-24 | AK208 | 2.13 |
| UCAK208-25 | 1-9/16 | 1-15/16 | 7-1/8 | 5-33/64 | 2-1/8 | 19/32 | 3/4 | 3/4 | 3-15/16 | 1.9370 | 0.748 | 7/16 | UC208-25 | AK208 | 2.1 |
| UCAK209 | 45 | 52.39 | 190 | 146 | 54 | 15 | 19 | 21 | 106 | 49.2 | 19 | M12 | UC209 | AK209 | 2.34 |
| UCAK209-26 | 1-5/8 | 2-1/16 | 7-15/32 | 5-3/4 | 2-1/8 | 19/32 | 3/4 | 53/64 | 4-11/64 | 1.9370 | 0.748 | 7/16 | UC209-26 | AK209 | 2.44 |
| UCAK209-27 | 1-11/16 | 2-1/16 | 7-15/32 | 5-3/4 | 2-1/8 | 19/32 | 3/4 | 53/64 | 4-11/64 | 1.9370 | 0.748 | 7/16 | UC209-27 | AK209 | 2.4 |
| UCAK209-28 | 1-3/4 | 2-1/16 | 7-15/32 | 5-3/4 | 2-1/8 | 19/32 | 3/4 | 53/64 | 4-11/64 | 1.9370 | 0.748 | 7/16 | UC209-28 | AK209 | 2.36 |
| UCAK210 | 50 | 55.56 | 203 | 159 | 57 | 15 | 19 | 22 | 113 | 51.6 | 19 | M12 | UC210 | AK210 | 2.85 |
| UCAK210-29 | 1-13/16 | 2-3/16 | 8 | 6-17/64 | 2-1/4 | 19/32 | 3/4 | 7/8 | 4-29/64 | 2.0315 | 0.748 | 7/16 | UC210-29 | AK210 | 2.97 |
| UCAK210-30 | 1-7/8 | 2-3/16 | 8 | 6-17/64 | 2-1/4 | 19/32 | 3/4 | 7/8 | 4-29/64 | 2.0315 | 0.748 | 7/16 | UC210-30 | AK210 | 2.92 |
| UCAK210-31 | 1-15/16 | 2-3/16 | 8 | 6-17/64 | 2-1/4 | 19/32 | 3/4 | 7/8 | 4-29/64 | 2.0315 | 0.748 | 7/16 | UC210-31 | AK210 | 2.87 |
| UCAK210-32 | 2 | 2-3/16 | 8 | 6-17/64 | 2-1/4 | 19/32 | 3/4 | 7/8 | 4-29/64 | 2.0315 | 0.748 | 7/16 | UC210-32 | AK210 | 2.83 |
| UCAK211 | 55 | 61.9 | 232 | 181 | 60 | 19 | 24 | 25 | 125 | 55.6 | 22.2 | M16 | UC211 | AK211 | 3.7 |
| UCAK211-32 | 2 | 2-1/4 | 9-9/64 | 7-1/8 | 2-23/64 | 3/4 | 15/16 | 63/64 | 4-59/64 | 2.1890 | 0.874 | 5/8 | UC211-32 | AK211 | 3.85 |
| UCAK211-33 | 2-1/16 | 2-1/4 | 9-9/64 | 7-1/8 | 2-23/64 | 3/4 | 15/16 | 63/64 | 4-59/64 | 2.1890 | 0.874 | 5/8 | UC211-33 | AK211 | 3.79 |
| UCAK211-34 | 2-1/8 | 2-1/4 | 9-9/64 | 7-1/8 | 2-23/64 | 3/4 | 15/16 | 63/64 | 4-59/64 | 2.1890 | 0.874 | 5/8 | UC211-34 | AK211 | 3.75 |
| UCAK211-35 | 2-3/16 | 2-1/4 | 9-9/64 | 7-1/8 | 2-23/64 | 3/4 | 15/16 | 63/64 | 4-59/64 | 2.1890 | 0.874 | 5/8 | UC211-35 | AK211 | 3.68 |
| UCAK212 | 60 | 68.3 | 241 | 190 | 64 | 19 | 24 | 29 | 137 | 65.1 | 25.4 | M16 | UC212 | AK212 | 4.7 |
| UCAK212-36 | 2-1/4 | 2-11/16 | 9-31/64 | 7-31/64 | 2-33/64 | 3/4 | 15/16 | 1-9/64 | 5-25/64 | 2.5630 | 1.000 | 5/8 | UC212-36 | AK212 | 4.83 |
| UCAK212-37 | 2-5/16 | 2-11/16 | 9-31/64 | 7-31/64 | 2-33/64 | 3/4 | 15/16 | 1-9/64 | 5-25/64 | 2.5630 | 1.000 | 5/8 | UC212-37 | AK212 | 4.75 |
| UCAK212-38 | 2-3/8 | 2-11/16 | 9-31/64 | 7-31/64 | 2-33/64 | 3/4 | 15/16 | 1-9/64 | 5-25/64 | 2.5630 | 1.000 | 5/8 | UC212-38 | AK212 | 4.68 |
| UCAK212-39 | 2-7/16 | 2-11/16 | 9-31/64 | 7-31/64 | 2-33/64 | 3/4 | 15/16 | 1-9/64 | 5-25/64 | 2.5630 | 1.000 | 5/8 | UC212-39 | AK212 | 4.61 |